
零序電流互感器系列
LXZ-10零序電流互感器廣泛適用于交流電力系統中配電線路以及交流發電機、電動機等電器設備的零序過電流保護和小電流接地選線。
該型電流互感器選用了磁導率較高的優質進口硅鋼片作為導磁材料,具有較高的準確度,其鐵芯和二次繞組采用優質環氧樹脂真空澆注在可阻燃的塑殼內,防潮濕,絕緣性能好,無需維護。
依據電流變比、準確級和額定負載的不同,該系列電流互感器分為以下幾種類型,具體參數詳見各型號對應的參數表。(注:可按用戶要求定制不同規格和參數的系列電流互感器)
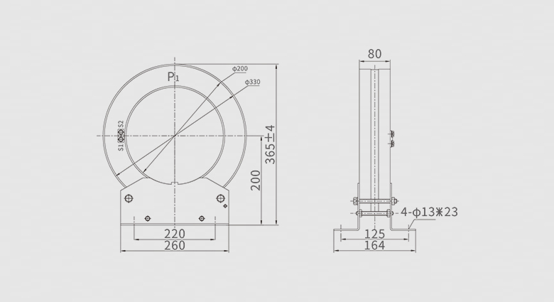
LXZ-200/330*80型電流互感器參數選型及安裝尺寸圖


LZX-φ220/Φ330*80型外形尺寸圖